企业文化建设十大创新单位
摘要 : 铸造箱体的材料一般是灰铸铁(HT200、HT250),或球墨铸铁。焊接箱体的材料一般是Q345。
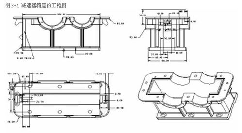
对于减速器箱座的工程图,一般情况下需绘制各个零件的平面视图,部件装配体的平面视图,总装配体的平面视图。这里仅以箱座零件图作为示例,给出它的示例如图3-1所示。
铸造箱体的材料一般是灰铸铁(HT200、HT250),或球墨铸铁。
泰东公司生产的焊接减速机箱体的切割钢板材料一般是Q235或者Q345。如果需求特种材料,可以联系我们进行个性化非标产品定制。
稳流器
减速机箱体轴承室
国标法兰
百吨胎模-钢板铆焊件
KR脱硫剂
KR脱硫搅拌桨
挡渣棒
二甲酚
冲压法兰毛坯
中间包整体承包服务
钢板切割定制件-破碎锤头
钢板非标产品加工-健身器材用
减速机箱体
刚玉质浇注料
沟槽挡渣球
日标法兰
限位块—钢板切割
大型渣车
机械设备辐板
蒸发室式脱硫喷枪
20230213泰东环保公司废钢、铁屑处理招标(机加工院内)
泰东公司国家863计划子课题通过国家科技部专家现场检查
张凯芳创新工作室获莱芜市劳模创新工作室称号
2023.02.14日照铝线招标报价表
莱钢泰东耐火材料优化烘烤曲线降低生产成本
优质服务拓展业务 树立泰东服务品牌
20230217泰东冶金公司废钢处理招标
快速导航
共有-条评论